Prenesi PDF

Optični senzorji zrcalna zapora    ~    Zrcalna zapora – polarizacijska

S5-5-B3-32        PNP/NPN  NO


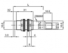
Slika:
Shema:
Električna shema:
Lastnost Vrednost
Dimenzija M18
Preklopna razdalja Sn [mm] 100 - 4500
Napajalna napetost VDC
Napajalna napetost U[V] 10-30 V DC
Padec napetosti U[Ud] 2 V
Lastna raba Io[mA] 35 mA
Maksimalni tok I[mA] 100 mA
Material ohišja PBT plastika
Oblika ohišja valjasta
Dimenzija ohišja (L) 86,8 mm
Mehanska zaščita IP 67
Priklop M12-4p
Temperatura območje delovanja - 25°C do + 55 °C
Frekvenca preklopa [f] 500 Hz
Zaščita zamenjave polov Vgrajena
LED funkcija DA
Izvedba optike RAVNA
Način delovanja temno/svetlo-prevodni
Svetloba oddajnika rdeča 660 nm
Nastavitev razdalje DA
Odzivni čas 0,5 ms
Zaloga je omejena na 1 kos
Dodatno naročite: konektor 4K 12 0 02 PVC/F(S) + odsevno steklo 40 x 60mm, nosilec FBSNR18 ali FBSNK18
Uporaba Za zrevanje, prihranek pri zalogi nadomešča 4 tipe