Prenesi PDF

Nosilci za senzorje    ~    Nosilec M18

Nosilec FBS NK18I     


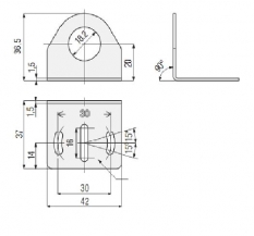
Slika:
Shema:
Lastnost Vrednost
Dimenzija 37 X 36,5 (1,5 mm debelina pločevine), luknje 4mm, razdalja med luknjami 30 mm
Material ohišja nerjaveče jeklo AISI316L
Zaloga je omejena 1-5 kosov DA
Dobava v kolikor izdelka ni na zalogi: 1-2 tedna po naročilu
Uporaba Kotni nosilec za montažo M18 stikal (induktivni, kapacitivni, optični, magnetni) agresivnem okolju
Prednost za uporabnika Prihranek časa pri montaži senzorja preko nosilca, brez zamudne izdelave nosilca iz nerjavečega jekla