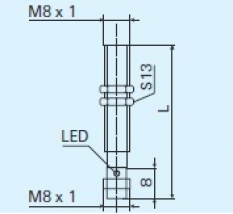
Prenesi PDF Induktivno stikalo ~ Konektorsko DCA 8 4619 C PNP NC Slika: Shema: Električna shema: Lastnost Vrednost Dimenzija M8 Način vgradnje stikala Poravnan Preklopna razdalja Sn [mm] 1.5 Napajalna napetost DC Napajalna napetost U[V] 10-30 V DC Padec napetosti U[Ud] 1,5 V Valovistost napetosti Ud < 10% Lastna raba Io[mA] 10 mA Maksimalni tok I[mA] 150mA Material ohišja Nerjavno jeklo 1.4301 Oblika ohišja valjasta Dimenzija ohišja (L) 58 mm Mehanska zaščita IP 67 Priklop M8-3p Temperatura območje delovanja -25 °C do + 70 °C Ponovitvena točnost R < 2% Sn Histereza Hy 1% - 15% Frekvenca preklopa [f] 1000 Hz LED funkcija DA