Prenesi PDF

Induktivno stikalo    ~    Izmenično (AC) s kablom

AC 30 5619        NC


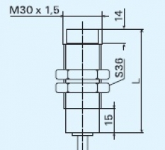
Slika:
Shema:
Električna shema:
Lastnost Vrednost
Dimenzija M 30
Način vgradnje stikala Neporavnan
Preklopna razdalja Sn [mm] 15
Napajalna napetost AC
Napajalna napetost U[V] 20-240 V AC
Padec napetosti U[Ud] 5 V
Maksimalni tok I[mA] 500mA
Mimalni tok >5mA
Material ohišja MS Niklano
Oblika ohišja valjasta
Dimenzija ohišja (L) 75 mm
Mehanska zaščita IP 67
Priklop 2m PVC
Temperatura območje delovanja -25 °C do + 70 °C
Ponovitvena točnost R < 2% Sn
Histereza Hy 3% - 15%
Frekvenca preklopa [f] 20 Hz
LED funkcija DA