Prenesi PDF

Induktivno stikalo    ~    AC - konektorsko - program v izteku

AC 12 5609 K        NO


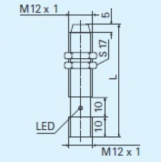
Slika:
Shema:
Električna shema:
Lastnost Vrednost
Dimenzija M 12
Način vgradnje stikala Neporavnan
Preklopna razdalja Sn [mm] 4
Napajalna napetost AC
Napajalna napetost U[V] 20-240 V AC
Padec napetosti U[Ud] 7,5V
Maksimalni tok I[mA] 300mA
Mimalni tok >5mA
Material ohišja Nerjavno jeklo 1.4301
Oblika ohišja valjasta
Dimenzija ohišja (L) 72 mm
Mehanska zaščita IP 67
Priklop M12-4p
Temperatura območje delovanja - 25°C do + 70 °C
Ponovitvena točnost R < 2% Sn
Histereza Hy 3% - 15%
Frekvenca preklopa [f] 20 Hz
LED funkcija DA