| Lastnost |
Vrednost |
| Preklopna razdalja Sn [mm] |
0-1000 |
| Odzivni čas |
1 ms |
| Nastavitev razdalje |
DA |
| Svetloba oddajnika |
rdeča 660 nm |
| Način delovanja |
temno-prevodni |
| Izvedba optike |
RAVNA |
| LED funkcija |
DA |
| Kratkostična zaščita izhoda |
Vgrajena |
| Zaščita zamenjave polov |
Vgrajena |
| Frekvenca preklopa [f] |
1000 Hz |
| Temperatura območje delovanja |
- 25 °C do + 70 °C |
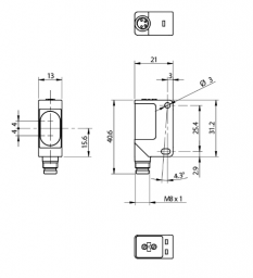
| Priklop |
M8-4p |
| Mehanska zaščita |
IP 67 |
| Dimenzija ohišja (L) |
21x32.2x12.8 mm |
| Oblika ohišja |
Kvader |
| Material ohišja |
PP66 plastika |
| Maksimalni tok I[mA] |
100 mA |
| Lastna raba Io[mA] |
30 mA |
| Padec napetosti U[Ud] |
2 V |
| Napajalna napetost |
VDC |
| Napajalna napetost U[V] |
10 - 30V DC |
| Temno/svetlo preklopnik izhoda |
DA |
| Naročite za priklop |
4K 08 0 02 PVC/F (X) |
| Dobava |
v kolikor izdelka ni na zalogi: 4-8 tednov po naročilu |
| Zaloga je omejena na |
1 kos |
| Uporaba |
Za tipanje predmetov na tekočih trakovih, linijah na razdalji do 100 cm, štetje predmetov, detekcija kosa v orodju, enostavna montaža in nastavitev razdalje. M8 priklop za hitro priključitev / menjavo. |