Download PDF

Optical sensor

OTR 40105        PNP  NO


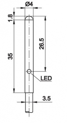
Picture:
Scheme:
Electrical scheme:
Features Value
Dimensions
Switching distance Sn [mm] 20
Hysteresis Hy < 10%
Supply voltage DC
Supply voltage U[V] 12-30 V DC
Voltage drop U[Ud] 2 V
Consumption Io[mA]
Max current I[mA] 100 mA
Material housing
Housing form Tubular
Housing Dimensions L
Mechanical protection IP 67
Connection
Temperature operating range
Switching frequency [ f ]
Polarity protection Build in
LED function
Optics RAVNA
Function light-switch
Light Infrared 880 nm
Setting the distance NO
Response time 2,5 ms