Prenesi PDF

Viličasti optični senzorji    ~    Viličasta svetlobna zapora

FC5R/DP-0303-1F        PNP  NO (DO- dark on - temnoprevodni )


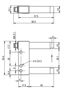
Slika:
Shema:
Električna shema:
Lastnost Vrednost
Reža [mm] 30
Nastavitev občutljivosti TEACH gumb +/-
Globina reže [mm] 40
Najmanjši predmet zaznavanja [mm] 0,8
Nastavitev razdalje NE
Svetloba oddajnika rdeča LED 660 nm
Največja hitrost premikanja tarče 200 m / min
Ponovljivost +/- mikro m pri 150m/min
Zakasnitev pri vklopu [ms] 50 mikro sekund
LED funkcija DA
Kratkostična zaščita izhoda Vgrajena
Zaščita zamenjave polov Vgrajena
Frekvenca preklopa [f] 4kHz
Temperatura območje delovanja - 20 °C do + 60 °C
Priklop M8-4p
Mehanska zaščita IP 65
Dimenzija ohišja (L) 57x25x10 mm
Oblika ohišja vilice
Material ohišja Aluminij
Maksimalni tok I[mA] 100 mA
Lastna raba Io[mA] 20 mA
Padec napetosti U[Ud] 2 V
Napajalna napetost VDC
Napajalna napetost U[V] 12 - 24V DC
Naročite za priklop 3K 08 0 02 PVC/F (X)
Dobava v kolikor izdelka ni na zalogi: 1-2 tedna po naročilu
Uporaba Za zaznavanje neprozornih nalepk na etikirnih/pakirnih strojih.