Download PDF

Inductive switch    ~    Cabel

DCF 5 5818        NPN  NC


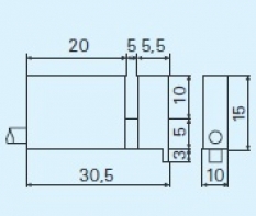
Picture:
Scheme:
Electrical scheme:
Features Value
Dimensions Fork 5
Mounting Unshielded
Switching distance Sn [mm] 5
Supply voltage DC
Supply voltage U[V] 10-30 V DC
Nominal voltage Un[V] 8,2 V
Voltage drop U[Ud] 1,5 V
Voltage tolerance Ud < 10%
Consumption Io[mA] 10 mA
Max current I[mA] 200mA
Material housing Plastics
Housing form Quader
Housing Dimensions L 30x15x10 mm
Mechanical protection IP 67
Connection 2m PVC
Temperature operating range -25°C to + 70°C
Repeat accuracy R < 2% Sn
Hysteresis Hy 1% - 15%
Switching frequency [ f ] 500 Hz
Polarity protection Build in
LED function Yes
ATEX certificate Yes