Download PDF

Inductive switch    ~    Connector version with extended operating distance

DCE 8 4618 C        NPN  NC


Picture:
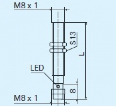
Scheme:
Electrical scheme:
Features Value
Dimensions M8
Mounting Shielded
Switching distance Sn [mm] 2.5
Supply voltage DC
Supply voltage U[V] 10-30 V DC
Voltage drop U[Ud] 1,5 V
Voltage tolerance Ud < 10%
Consumption Io[mA] 10 mA
Max current I[mA] 150mA
Material housing Stainless steel 1.4301
Housing form Tubular
Housing Dimensions L 58 mm
Mechanical protection IP 67
Connection M8-3p
Temperature operating range -25°C to + 70°C
Repeat accuracy R < 2% Sn
Hysteresis Hy 1% - 15%
Switching frequency [ f ] 800 Hz
LED function Yes