Download PDF

Inductive switch    ~    Cabel

DCA 30 5809        PNP  NO


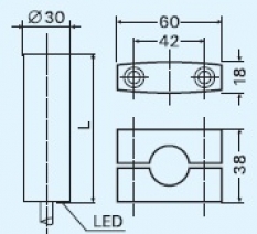
Picture:
Scheme:
Electrical scheme:
Features Value
Dimensions Ø 30
Mounting Unshielded
Switching distance Sn [mm] 15
Supply voltage DC
Supply voltage U[V] 10-30 V DC
Voltage drop U[Ud] 1,5 V
Voltage tolerance Ud < 10%
Consumption Io[mA] 10 mA
Max current I[mA] 250mA
Material housing Plastics
Housing form Tubular
Housing Dimensions L 67 mm
Mechanical protection IP 67
Connection 2m PVC
Temperature operating range -25°C to + 70°C
Repeat accuracy R < 2% Sn
Hysteresis Hy 1% - 15%
Switching frequency [ f ] 100 Hz
Polarity protection Build in
LED function Yes