Download PDF

Inductive switch    ~    Cable - AC ori DC supply voltage

ACDC 12 4607 K        NO


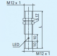
Picture:
Scheme:
Electrical scheme:
Features Value
Dimensions M 12
Mounting Shielded
Switching distance Sn [mm] 2
Supply voltage DC
Supply voltage U[V] 20-240 V AC/DC
Voltage tolerance Ud < 10%
Consumption Io[mA] 5 mA
Max current I[mA] 300mA
Material housing Stainless steel 1.4301
Housing form Tubular
Housing Dimensions L 60 mm
Mechanical protection IP 67
Connection M12-3p
Temperature operating range -25°C to + 70°C
Repeat accuracy R < 2% Sn
Hysteresis Hy 3% - 35%
Switching frequency [ f ] AC 20 Hz, DC 800 Hz
LED function Yes