Download PDF

Inductive switch    ~    Alternating (AC) with cable

AC 47 5619        NC


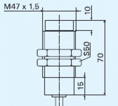
Picture:
Scheme:
Electrical scheme:
Features Value
Dimensions M 47
Mounting Unshielded
Switching distance Sn [mm] 25
Supply voltage AC
Supply voltage U[V] 20-240 V AC
Voltage drop U[Ud] 5 V
Max current I[mA] 500mA
Min current I[mA] >5mA
Material housing Aluminium
Housing form Tubular
Housing Dimensions L 76 mm
Mechanical protection IP 67
Connection 2m PVC
Temperature operating range -25°C to + 70°C
Repeat accuracy R < 2% Sn
Hysteresis Hy 3% - 15%
Switching frequency [ f ] 20 Hz
LED function Yes