Download PDF

Inductive switch    ~    Alternating (AC) - with connector

AC 12 5609 N        NO


Picture:
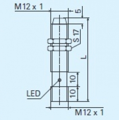
Scheme:
Features Value
Dimensions M 12
Mounting Unshielded
Switching distance Sn [mm] 4
Supply voltage AC
Supply voltage U[V] 20-240 V AC
Voltage drop U[Ud] 7,5V
Max current I[mA] 300mA
Min current I[mA] >5mA
Material housing Stainless steel 1.4301
Housing form Tubular
Housing Dimensions L 72 mm
Mechanical protection IP 67
Connection M12-3p
Temperature operating range - 25°C do + 70 °C
Repeat accuracy R < 2% Sn
Hysteresis Hy 3% - 15%
Switching frequency [ f ] 20 Hz
LED function Yes