Prenesi PDF

Konektorji - razni    ~    Vgradni konektor B koda

4V 12 0 0,02 PVC/MB M16        Vgradni M12 M16


Slika:
Shema:
Električna shema:
Lastnost Vrednost
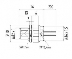
Dimenzija M12
Število pinov 4
Stikalni tok [mA] 4000 mA
Material ohišja niklana tlačna litina
Dimenzija ohišja (L) 26 mm, za pritrditev M16x1,5
Mehanska zaščita IP 67
Priklop 0,2m PVC žice
Temperatura območje delovanja - 25°C do + 85 °C
LED funkcija NE
Napetost 250 V
Presek vodnika 0,34 mm2
Uporaba Za priklop na ženski konektor B koda (4K 12 0 02 PVC/FB)
Dodatno naročite Za priklop 4K 12 0 02 PVC/FB ali 4K 12 0 02 PUR/FB
Opomba Izdelek že vsebuje matico za pritrditev